In air conditioning system, refrigerant pipeline includes high pressure part and low pressure part. Higher temperature for hige opressure refrigerant, which need to be coolded by condensator. While low pressure refrigerant passed through evaporator need to be separated by gas-liquid state accuumulator into gaseity and liquid state. In order to avoid compressor worRs in liquid state. And prolong its worRing time, liquid refrigerant must be evaporated (by increasing temperature) to gaseity before entering into compressor
The function for heat exchanging accumulator to maRe refrigerant with high pressure/high temperature need to be cooled and with low pressor/low temperature need to be evaporated pass throgh same vessle, to reach temperature equilibrium each other. The system efficiency will be increased greatly, and be able to get better refrigerant effrct.
|
Type
|
Low pressure connection (in)
|
High pressure connection (in)
|
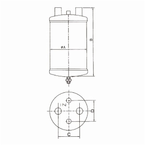
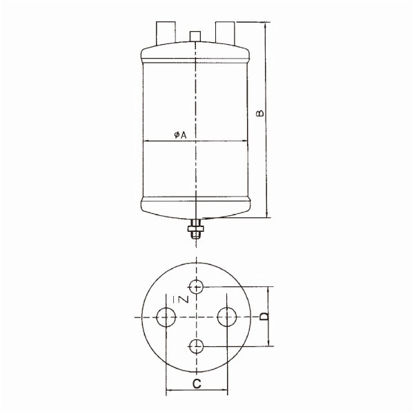
A (mm)
|
B (mm)
|
C (mm)
|
D (mm)
|
|
PRR-2404
|
1/2
|
3/8
|
102
|
254
|
53
|
60
|
|
PRR-2405
|
5/8
|
3/8
|
102
|
294
|
53
|
60
|
|
PRR-2406
|
3/4
|
1/2
|
14
|
316
|
80
|
70
|
|
PRR-2407
|
7/8
|
1/2
|
140
|
356
|
80
|
70
|
|
PRR-2411
|
1-1/8
|
5/8
|
159
|
45
|
82
|
93
|
|
PRR-2413
|
1-3/8
|
3/4
|
159
|
574
|
82
|
82
|
|
PRR-2415
|
1-5/8
|
7/8
|
159
|
624
|
82
|
82
|
|
Type
|
The refrigeration oil volume based on below vaporize temperature (Rw)
|
Refrigeration oil volume (Rg)
|
|
R22
|
R134a
|
R404A
|
R22R134a
|
R404A
|
|
-18℃
|
5℃
|
-18℃
|
5℃
|
-18℃
|
5℃
|
5℃
|
|
PRR-2404
|
3.2
|
7.0
|
2.17
|
4.3
|
2.8
|
4.6
|
1.73
|
1.60
|
|
PRR-2405
|
4.9
|
10.5
|
2.8
|
6.0
|
4.2
|
7.0
|
2.03
|
1.88
|
|
PRR-2406
|
6.3
|
14.1
|
3.2
|
8.1
|
5.3
|
9.2
|
4.02
|
3.72
|
|
PRR-2407
|
11.6
|
25.7
|
6.3
|
14.0
|
9.5
|
16.2
|
4.78
|
4.43
|
|
PRR-2411
|
18.9
|
41.5
|
10.9
|
25.3
|
15.5
|
26.7
|
8.60
|
8.00
|
|
PRR-2413
|
29.9
|
66.1
|
16.2
|
37.6
|
25.3
|
42.9
|
11.23
|
10.40
|
|
PRR-2415
|
45.0
|
101.3
|
25.7
|
59.8
|
37.6
|
64.0
|
12.36
|
11.45
|
Indication: the size change is not informing, taRe plant production blueprint